住友電気工業(株)

SEC-スミデュアルミル カッタ TSX13315RS

  • 型番:TSX13315RS
  • 発注コード:D8V14
  • メーカー商品コード:2200ATT
  • JANコード:―
商品一覧へ
(サイズ・色違いなど)

仕切価格
標準価格 ¥615,000
 
注文単位 1個
  • ※3/16 23:30 時点の情報です


用途 ●平面削り、隅削り、側面加工、溝加工、穴拡げ加工
商品説明
商品スペック
  • 商品タイプ:標準ピッチ
  • 規格:メトリック
  • 型式記号:TSX
  • 内接円IC(mm):13.5
  • インサート内接円サイズ記号:13
  • 勝手[記号]:右[R]
  • カッタ径記号:315
  • すくい角(°):-23~-15(半径方向)・-6(軸方向)
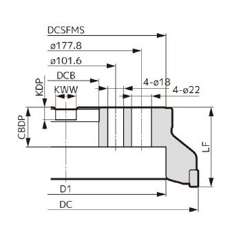
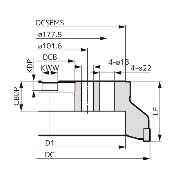
  • ボスDCSFMS(mm):240
  • ボルトD1(mm):230
  • ボルトD2(mm):-
  • ボルトD3(mm):-
  • 穴径DCB(mm):60.0
  • 溝深さKDP(mm):14.0
  • 溝幅KWW(mm):25.7
  • 最大切込み量(mm):12
  • 取付け方式記号:S
  • 取付深さCBDP(mm):35
  • 刃径(mm):315
  • 刃数(枚):16
  • 切込み角(°):90
  • 高さLF(mm):63
  • 重量(kg):16.42
  • 適用インサート:LNEX 1306○○PNER-□
  • 適用加工:肩削り◎/溝削り○/彫り込み◎/平面仕上げ◎/平面汎用◎
  • 被削材:P(一般鋼◎/調質鋼・ダイス鋼◎)・M(ステンレス鋼◎)・K(鋳鉄◎)・S(Ti合金◎/耐熱合金○)
  • エンドミル適用加工:隅削り◎/側面◎/平面◎
  • Fig:6
注意事項
  • 本体にインサートは組み込んでありません。
  • カッタを選択する際、保持具取付穴径(DCB)をご確認ください。
内容品・付属品 ●ねじ:BFTX03510IP(3.0N・m)●一体型レンチ:TRDR15IP●シート:TSXS13R●焼付防止剤:SUMI-P
原産国
特記事項

この商品を見た人はこちらの商品も見ています