住友電気工業(株)

SEC-スミデュアルミル カッタ TSX13100R

  • 型番:TSX13100R
  • 発注コード:D8U69
  • メーカー商品コード:2200ASU
  • JANコード:―
商品一覧へ
(サイズ・色違いなど)

仕切価格
標準価格 \116,000
 
注文単位 1個
  • ※12/17 23:30 時点の情報です

※1/1に下記価格に改定予定です

仕切価格
標準価格 \122,000

用途 ●平面削り、隅削り、側面加工、溝加工、穴拡げ加工
商品説明
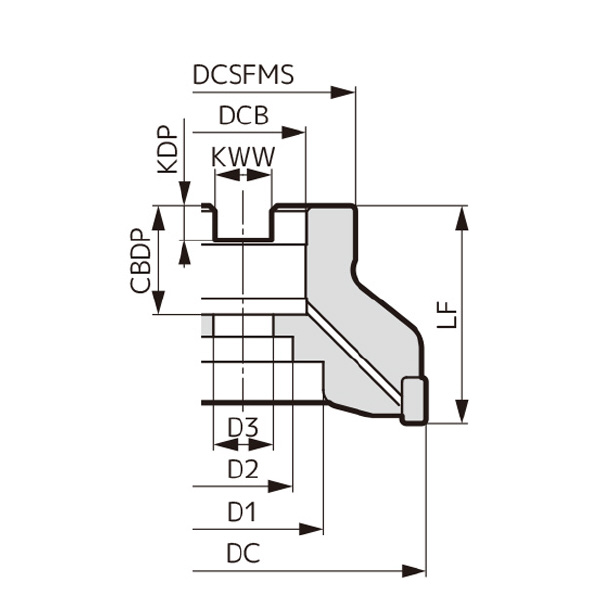
商品スペック
  • 商品タイプ:標準ピッチ
  • 規格:インチ
  • 型式記号:TSX
  • 内接円IC(mm):13.5
  • インサート内接円サイズ記号:13
  • 勝手[記号]:右[R]
  • カッタ径記号:100
  • すくい角(°):-23~-15(半径方向)・-6(軸方向)
  • ボスDCSFMS(mm):70
  • ボルトD1(mm):46
  • ボルトD2(mm):27
  • ボルトD3(mm):18
  • 穴径DCB(mm):31.75
  • 溝深さKDP(mm):8.0
  • 溝幅KWW(mm):12.7
  • 最大切込み量(mm):12
  • 取付深さCBDP(mm):32
  • 刃径(mm):100
  • 刃数(枚):6
  • 切込み角(°):90
  • 高さLF(mm):63
  • 重量(kg):1.88
  • 適用インサート:LNEX 1306○○PNER-□
  • 適用加工:肩削り◎/溝削り○/彫り込み◎/平面仕上げ◎/平面汎用◎
  • 被削材:P(一般鋼◎/調質鋼・ダイス鋼◎)・M(ステンレス鋼◎)・K(鋳鉄◎)・S(Ti合金◎/耐熱合金○)
  • エンドミル適用加工:隅削り◎/側面◎/平面◎
  • Fig:2
注意事項
  • 本体にインサートは組み込んでありません。
  • カッタを選択する際、保持具取付穴径(DCB)をご確認ください。
内容品・付属品 ●ねじ:BFTX03510IP(3.0N・m)●脱着式レンチ:HPS1015(ハンドルグリップ)、TRB15IP(ビット)●焼付防止剤:SUMI-P
原産国
特記事項

この商品を見た人はこちらの商品も見ています