住友電気工業(株)

SEC-ウェーブミル ヘッド WFXC12025M12Z3

  • 型番:WFXC12025M12Z3
  • 発注コード:COP04
  • メーカー商品コード:2900AAF
  • JANコード:―
商品一覧へ
(サイズ・色違いなど)

仕切価格
標準価格 \52,000
 
注文単位 1個
  • ※11/02 23:20 時点の情報です


用途 ●面取り加工用
商品説明
  • SEC-ウェーブミル WFXC型は、WFXシリーズ用のインサートを使用した面取り加工用工具です。
  • 豊富な材種を利用して多様な被削材に対応可能です。
商品スペック
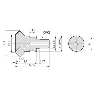
  • すくい角(°):0(半径方向)・0(軸方向)
  • 切込み角(°):45
  • 勝手[記号]:なし[N]
  • 刃径(mm):25・41(最大)
  • ボスDCSFMS(mm):23.0
  • シャンク径(mm):12.5
  • ねじCRKS:M12
  • 全長OAL(mm):56
  • 機能長(mm):32
  • 長さLS2(mm):5
  • 平取L11(mm):10
  • 幅H(mm):19
  • 刃数(枚):3
  • Fig:1
  • 重量(kg):0.1
  • 適用インサート:SOMT12タイプ
  • 適用カッタ:RSX(F)08000ES
  • 適用加工・面取り:◎ 最適
  • 適用被削材・P_一般鋼:◎ 最適
  • 適用被削材・P_炭素鋼:◎ 最適
  • 適用被削材・P_合金鋼:◎ 最適
  • 適用被削材・P_調質鋼・ダイス鋼:◎ 最適
  • 適用被削材・M_ステンレス鋼:◎ 最適
  • 適用被削材・K_鋳鉄:◎ 最適
  • 適用被削材・K_ダクタイル鋳鉄:◎ 最適
  • 適用被削材・N_銅合金:◎ 最適
  • 適用被削材・N_グラファイト:◎ 最適
  • 適用被削材・N_CFRP:◎ 最適
  • 適用被削材・S_Ti合金:○ 適用
  • 適用被削材・S_耐熱合金:○ 適用
  • エンドミル適用加工・面取り:◎
  • エンドミル適用加工・裏面取り:◎
  • 部品・皿ねじ:BFTX03512IP
  • 部品・皿ねじ(N・m):3.0
  • 部品・レンチ:TRDR15IP
  • 部品・焼付防止剤:SUMI-P
注意事項
  • DC1、DCXは、コーナー半径 0.8 インサート装着時の寸法です。
内容品・付属品 ●皿ねじ:BFTX03512IP(3.0N・m)●レンチ:TRDR15IP●焼付防止剤:SUMI-P
原産国
特記事項

この商品を見た人はこちらの商品も見ています