住友電気工業(株)

SEC-スミデュアルミル カッタ DFCF09080R

  • 型番:DFCF09080R
  • 発注コード:CIR37
  • メーカー商品コード:2200APD
  • JANコード:―
商品一覧へ
(サイズ・色違いなど)

仕切価格
標準価格 \110,000
 
注文単位 1個
  • ※12/18 23:30 時点の情報です

※1/1に下記価格に改定予定です

仕切価格
標準価格 \116,000

用途 ●平面削り加工・隅削り加工・側面削り加工
商品説明
商品スペック
  • 商品タイプ:エクストラファインピッチ
  • 規格:インチ
  • 型式記号:DFC
  • インサートサイズ:09
  • 勝手[記号]:右[R]
  • すくい角(°):-9(半径方向)・-5(軸方向)
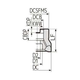
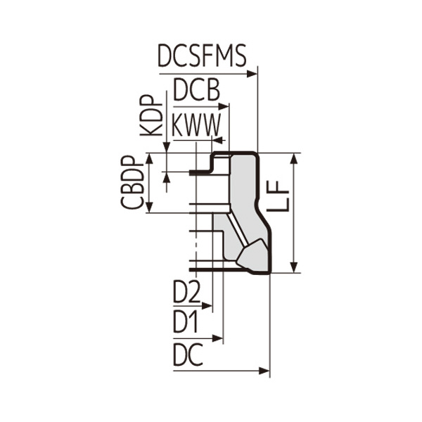
  • ボスDCSFMS(mm):55
  • ボルトD1(mm):20
  • ボルトD2(mm):14
  • 穴径DCB(mm):25.4
  • 溝深さKDP(mm):6
  • 溝幅KWW(mm):9.5
  • 最大切込み量(mm):6
  • 取付深さCBDP(mm):25
  • 刃径(mm):80
  • 刃数(枚):9
  • 切込み角(°):90
  • 高さLF(mm):50
  • 付加記号:F
  • 重量(kg):0.9
  • 適用インサート:XNMU 0606○○PNER-□/□□
  • 適用カッタ:RSX(F)08000ES
  • 適用加工:肩削り◎/溝削り○/彫り込み○/平面汎用◎
  • 被削材:P(一般鋼◎/炭素鋼◎/合金鋼◎/調質鋼・ダイス鋼◎)・M(ステンレス鋼○)・K(鋳鉄◎/ダクタイル鋳鉄◎)・S(Ti合金○/耐熱合金○)
  • エンドミル適用加工:隅削り◎/溝◎/側面◎/平面◎
  • Fig:1
注意事項
  • 本体にインサートは組み込んでありません。
  • カッタを選択する際、保持具取付サイズ(DCB)をご確認ください。
  • 本体のアーバへの締付けには、JIS B1176「六角穴付きボルト」(M12×30~35mm)をご使用ください。
内容品・付属品 ●レンチ:TRDR15IP●インサート用ねじ:BFTX03512IP(3.0N・m)●焼付防止剤:SUMI-P
原産国
特記事項

この商品を見た人はこちらの商品も見ています