住友電気工業(株)

SEC-ウェーブラジアスミル カッタ RSX20160RS

  • 型番:RSX20160RS
  • 発注コード:C5U20
  • メーカー商品コード:2200AQL
  • JANコード:―
商品一覧へ
(サイズ・色違いなど)

仕切価格
標準価格 \163,000
 
注文単位 1個
  • ※11/02 23:20 時点の情報です


用途 ●鋼・ステンレス鋼・鋳鉄・難削材の切削用:金型の彫り込み加工・傾斜加工・ヘリカル加工など、多様な加工を高能率に行うことができます。
商品説明
商品スペック
  • 用途:鋼・ステンレス鋼・鋳鉄・難削材の切削用
  • 最大切込み量(mm):10
  • すくい角(°):-5(半径方向)・10(軸方向)
  • 勝手[記号]:右[R]
  • 規格:メトリック
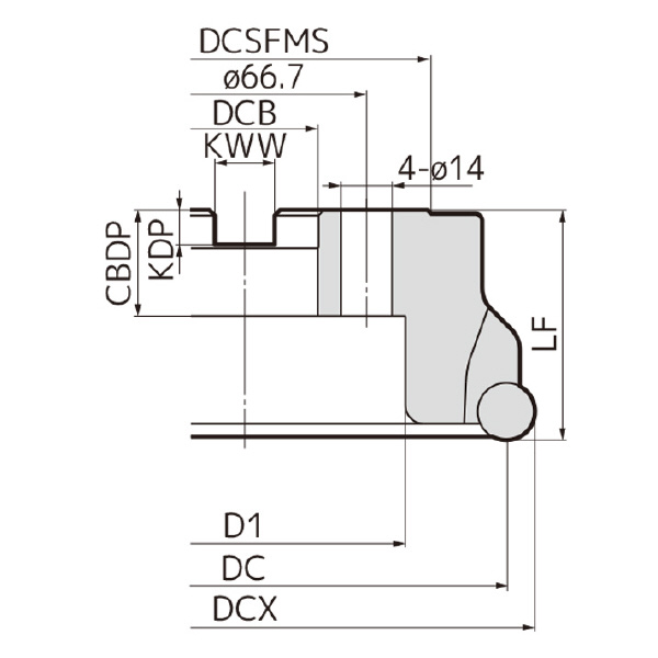
  • 刃径(mm):140・160(最大)
  • ボスDCSFMS(mm):130
  • 高さLF(mm):63
  • 穴径DCB(mm):40
  • ボルトD1(mm):90
  • 溝深さKDP(mm):9
  • 溝幅KWW(mm):16.4
  • 取付深さCBDP(mm):29
  • 刃数(枚):7
  • Fig:5
  • 重量(kg):4.7
  • 適用加工・平面汎用:◎ 最適
  • 適用加工・彫り込み:◎ 最適
  • 適用加工・溝削り:○ 適用
  • 適用加工・倣い:◎ 最適
  • 適用被削材・P_一般鋼:◎ 最適
  • 適用被削材・P_炭素鋼:◎ 最適
  • 適用被削材・P_合金鋼:◎ 最適
  • 適用被削材・P_調質鋼・ダイス鋼:◎ 最適
  • 適用被削材・M_ステンレス鋼:◎ 最適
  • 適用被削材・K_鋳鉄:◎ 最適
  • 適用被削材・K_ダクタイル鋳鉄:◎ 最適
  • 適用被削材・S_Ti合金:◎ 最適
  • 適用被削材・S_耐熱合金:◎ 最適
  • エンドミル適用加工・平面:◎
  • エンドミル適用加工・隅削り:◎
  • エンドミル適用加工・溝:◎
  • エンドミル適用加工・傾斜:◎
  • エンドミル適用加工・倣い:◎
  • エンドミル適用加工・ヘリカル:◎
  • 部品・皿ねじ:BFTX0615IP
  • 部品・皿ねじ(N・m):5.0
  • 部品・レンチ:TRDR25IP
  • 部品・焼付防止剤:SUMI-P
注意事項
  • 本体にインサートは組み込んでありません。
  • カッタを選択する際、保持具取付サイズ(DCB)をご確認ください。
内容品・付属品 ●レンチ:TRDR25IP●皿ねじ:BFTX0615IP(5.0N・m)●焼付防止剤:SUMI-P
原産国
特記事項

この商品を見た人はこちらの商品も見ています