(株)ナベヤ

インサートノズルSB型 SB06-1 廃番

  • 型番:SB06-1
  • 発注コード:BYB01
  • メーカー商品コード:125507
  • JANコード:4904115241944
商品一覧へ
(サイズ・色違いなど)

仕切価格
標準価格 ¥2,990
 
注文単位 1個
  • ※5/14 23:30 時点の情報です


用途
商品説明
  • 機械や治具に組み込みができ、刃物や治具への干渉がありません。
  • ノズル角度がスピーディーに変えられます。
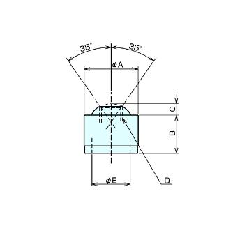
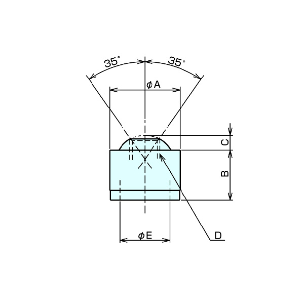
商品スペック
  • ねじの呼び:M16×2.0
  • 許容荷重(kN):6
  • 表面処理:FJR:ユニクロメッキ FJR-S:電解研磨
  • 質量(g):0.38
  • B:130
  • C:163
  • D:10
  • E:23
  • F:80
  • G:24
  • H:9
  • I:13
  • 材質・本体:アセタール
  • 材質・ノズル/ボール:SUS303
  • 最大圧力(MPa):1
  • 耐熱温度(℃):70
  • 取付方法:打ち込み
注意事項
内容品・付属品
原産国
特記事項 ナベヤ(メーカー手配)に限り同一注文のメーカー定価合計が10,000円未満は送料1,000円です。サイト全体合計に適用しません。北海道・沖縄・離島は別途送料が発生します(送料は予告なく変更の場合あり)

この商品を見た人はこちらの商品も見ています