(株)ナベヤ

球面座金(SUS)異径タイプ SW20SSMFD

  • 型番:SW20SSMFD
  • 発注コード:BYA24
  • メーカー商品コード:115978
  • JANコード:4904115236056
商品一覧へ
(サイズ・色違いなど)

仕切価格
標準価格 ¥7,900
 
注文単位 1個
  • ※3/15 23:20 時点の情報です


用途
商品説明
  • 座金の穴が長穴の場合にご使用ください。
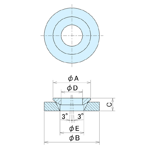
商品スペック
  • 適合ボルト:M20
  • A:36
  • B:50
  • C:12.1
  • D:21
  • E:23.2
  • 質量(g):118
  • タイプ:SUS303
  • 材質:SUS304
注意事項
内容品・付属品
原産国
特記事項 ナベヤ(メーカー手配)に限り同一注文のメーカー定価合計が10,000円未満は送料1,000円です。サイト全体合計に適用しません。北海道・沖縄・離島は別途送料が発生します(送料は予告なく変更の場合あり)

この商品を見た人はこちらの商品も見ています