(株)ナベヤ

球面座金(SUS)連結タイプ SW10SSC

  • 型番:SW10SSC
  • 発注コード:BYA07
  • メーカー商品コード:115962
  • JANコード:4904115235882
商品一覧へ
(サイズ・色違いなど)

仕切価格
標準価格 \4,240
 
注文単位 1個
  • ※1/28 23:30 時点の情報です

※2/21に下記価格に改定予定です

仕切価格
標準価格 \4,820

用途
商品説明
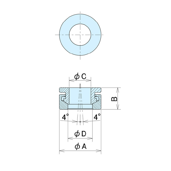
  • 連結された構造のため、ボルトを垂直方向でその下面側での使用時に作業効率が向上します。
商品スペック
  • 適合ボルト:M10
  • A:21
  • B:10.4
  • C:10.5
  • D:12
  • 質量(g):17
  • 材質:SUS303
注意事項
内容品・付属品
原産国
特記事項 ナベヤ(メーカー手配)に限り同一注文のメーカー定価合計が10,000円未満は送料1,000円です。サイト全体合計に適用しません。北海道・沖縄・離島は別途送料が発生します(送料は予告なく変更の場合あり)

この商品を見た人はこちらの商品も見ています