おすすめキーワード
キーワードランキング
検索履歴
カテゴリー
メーカー
該当する販売店・事業所はありません
1~10件
※10/26 23:20 時点の情報です
基準座(フランジ付) KZFR
(株)ナベヤ
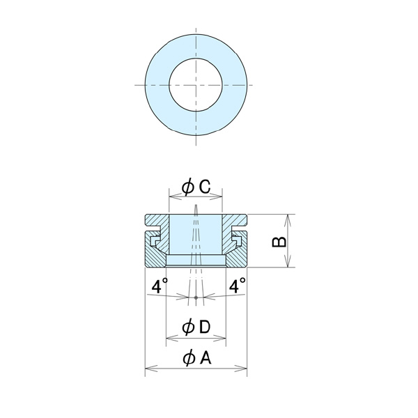
球面座金(SUS) SW
基準座(フランジ付) KZFL
球面フランジナット(SUS) SFNM
球面座金(SUS)異径タイプ SW
基準座(フランジ付) KZFB
基準座(丸座) KZR
基準座(フランジ付) KZFA
角度調整セレーションタイプ付ボルト914 914
ローレットロックナット KLN
ロケーティングピン A型 LP
角度調整クランピングボルト912 912
横バイス部品 リード型バイス 回転台一式 LEAD
ロケーティングスクリュー LOS
ロケーティングピンアジャストタイプ PAJ
ロケートピン LCP
ロックタイト5軸マシンバイス LT5AU
ロケーティングピン(先端ボールタイプ) PBD
偏芯マグハイトブロック MHBE
平ワッシャー(SUS) WF
ログインを行ってください。
該当する商品の在庫はありません。
フォルダ新規作成
エラーメッセージエラーメッセージエラーメッセージエラーメッセージ
フォルダ選択
お気に入り登録しました
該当するユーザーはありません。