(株)ナベヤ

トウアジャストクランプ2 ショート TASH08-1

  • 型番:TASH08-1
  • 発注コード:BXZ25
  • メーカー商品コード:125648
  • JANコード:4904115234601
商品一覧へ
(サイズ・色違いなど)

仕切価格
標準価格 ¥11,000
 
注文単位 1個
  • ※3/13 23:30 時点の情報です


用途
商品説明
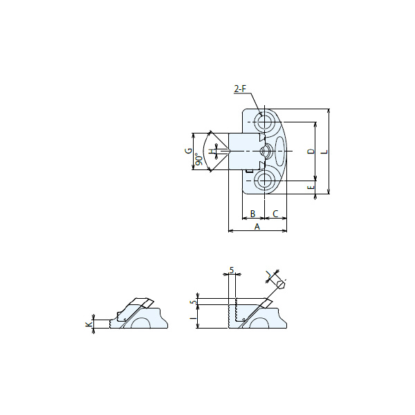
商品スペック
  • 適合ボルト:M8
  • タイプ:フラット
  • A:40
  • B:15.6
  • C:15
  • D:40
  • E:9.5
  • F:9
  • G:25
  • H:4
  • I:16
  • J:5
  • K:-
  • L:59
  • 質量(kg):0.2
  • 材質(本体):SCM440
  • 熱処理:焼入HRC30
  • 表面処理:黒染め
注意事項
内容品・付属品
原産国
特記事項 ナベヤ(メーカー手配)に限り同一注文のメーカー定価合計が10,000円未満は送料1,000円です。サイト全体合計に適用しません。北海道・沖縄・離島は別途送料が発生します(送料は予告なく変更の場合あり)