(株)ナベヤ

2面イケール用交換プレート フラット TBQS500TS-PL

  • 型番:TBQS500TS-PL
  • 発注コード:BXO68
  • メーカー商品コード:122214
  • JANコード:4904115212371
商品一覧へ
(サイズ・色違いなど)

仕切価格
標準価格 \366,000
 
注文単位 1個
  • ※12/18 23:30 時点の情報です


用途
商品説明
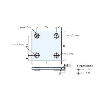
  • Q-ロック内蔵2面イケール専用の取付プレートです。
  • 基準穴は焼入れブッシュ入りで、ピッチは±0.015の高精度に仕上げてあります。
  • ユーザー様でワークに合った穴・溝加工を施し、イケールの取付プレートとしてお使いください。
商品スペック
  • A:500
  • B:500
  • C:31.5
  • D:85
  • E:330
  • F:85
  • G:330
  • H:15
  • I:0.02
  • ロケートブッシュ:QLT40RB
  • クランプブッシュ:QLT40CB
  • 質量(kg):64
  • 材質(プレート):S50C
  • 材質(Q-ロックエレメント):SCM440
  • 熱処理(Q-ロックエレメント):焼入HRC55
  • 表面処理(Q-ロックエレメント):無電解メッキ
注意事項
内容品・付属品
原産国
特記事項

この商品を見た人はこちらの商品も見ています