(株)ナベヤ

Q-ロック内蔵マシンパレット(T穴油圧) MCQH500-50H

  • 型番:MCQH500-50H
  • 発注コード:BXO41
  • メーカー商品コード:122226
  • JANコード:4904115212104
商品一覧へ
(サイズ・色違いなど)

仕切価格
標準価格 \575,000
 
注文単位 1個
  • ※12/16 23:30 時点の情報です


用途
商品説明
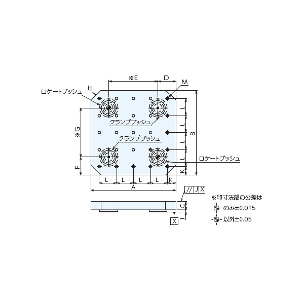
  • Q-ロック内蔵油圧マシンパレット専用のタップ穴付きプレートです。
  • 基準穴は焼入れブッシュ入りで、ピッチは±0.015の高精度に仕上げてあります。
商品スペック
  • A:500
  • B:500
  • C:50
  • D:105
  • E:290
  • F:105
  • G:290
  • H:C60
  • I:13
  • J:0.02
  • K:50
  • L:100
  • M:25-M16
  • ロケートブッシュ:QL10RB
  • クランプブッシュ:QL10CB
  • 質量(kg):96
  • 材質(プレート):FC250
  • 材質(Q-ロックエレメント):SCM440
  • 熱処理(Q-ロックエレメント):焼入HRC55
  • 表面処理(Q-ロックエレメント):無電解メッキ
注意事項
内容品・付属品
原産国
特記事項

この商品を見た人はこちらの商品も見ています