(株)ナベヤ

Q-ロック内蔵プレート本体(ネジ式分割) MCQ1060V

  • 型番:MCQ1060V
  • 発注コード:BXO18
  • メーカー商品コード:122187
  • JANコード:4904115211886
商品一覧へ
(サイズ・色違いなど)

仕切価格
標準価格 \1,290,000
 
注文単位 1個
  • ※12/16 23:30 時点の情報です


用途
商品説明
  • プレート取付タイプのQ-ロック内蔵ネジ分割式のテーブルです。
  • 適合ブッシュとの組み合わせによりプレートの位置決め、ロックがワンタッチです。
  • 繰返し位置決め精度は3μmです。
商品スペック
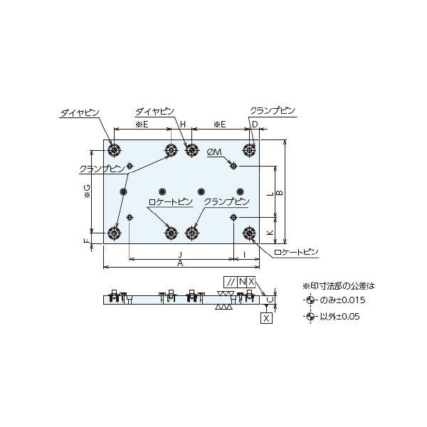
  • A:1000
  • B:600
  • C:50
  • D:65
  • E:200
  • F:60
  • G:480
  • H:135
  • I:150
  • J:700
  • K:50
  • L:500
  • M:M16用
  • N:0.02
  • ロケートピン:QLTS26RPV
  • ダイヤピン:QLTS26RPV
  • クランプピン:QLTS26CPV
  • 子プレート数:3
  • 質量(kg):246
  • 材質(プレート):S50C
  • 材質(Q-ロックエレメント):SCM440
  • 材質(ハイトシリンダー):SCM420
  • 熱処理(Q-ロックエレメント):焼入HRC55
  • 表面処理:無電解メッキ(Q-ロックエレメント)・黒染め(ハイトシリンダー)
注意事項
内容品・付属品
原産国
特記事項

この商品を見た人はこちらの商品も見ています