(株)ナベヤ

Q-ロック内蔵プレート本体(ネジ式分割) MCQ0540V

  • 型番:MCQ0540V
  • 発注コード:BXO16
  • メーカー商品コード:122185
  • JANコード:4904115211862
商品一覧へ
(サイズ・色違いなど)

仕切価格
標準価格 \397,000
 
注文単位 1個
  • ※12/16 23:30 時点の情報です


用途
商品説明
  • プレート取付タイプのQ-ロック内蔵ネジ分割式のテーブルです。
  • 適合ブッシュとの組み合わせによりプレートの位置決め、ロックがワンタッチです。
  • 繰返し位置決め精度は3μmです。
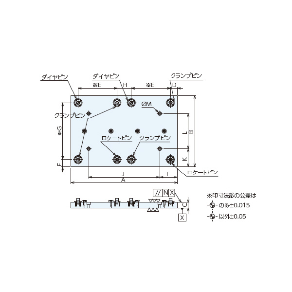
商品スペック
  • A:500
  • B:400
  • C:30
  • D:40
  • E:170
  • F:40
  • G:320
  • H:80
  • I:80
  • J:340
  • K:75
  • L:250
  • M:M12用
  • N:0.02
  • ロケートピン:QLT19RP
  • ダイヤピン:QLT19DP
  • クランプピン:QLT19CP
  • 子プレート数:2
  • 質量(kg):49
  • 材質(プレート):S50C
  • 材質(Q-ロックエレメント):SCM440
  • 材質(ハイトシリンダー):SCM420
  • 熱処理(Q-ロックエレメント):焼入HRC55
  • 表面処理:無電解メッキ(Q-ロックエレメント)・黒染め(ハイトシリンダー)
注意事項
内容品・付属品
原産国
特記事項

この商品を見た人はこちらの商品も見ています