(株)ナベヤ

Q-ロックエレメント ホールタイプ本体 QLSM-KS10.2

  • 型番:QLSM-KS10.2
  • 発注コード:BXN84
  • メーカー商品コード:121992
  • JANコード:4904115211657
商品一覧へ
(サイズ・色違いなど)

仕切価格
標準価格 ¥267,000
 
注文単位 1個
  • ※3/09 23:30 時点の情報です


用途
商品説明
  • 治具ベースに組込み、ワークの位置決めとクランプを同時に行うユニットです。
  • エアーブロー、差座確認付き。
  • キー溝による位相セットにより単体使用ができます。
  • アンクランプ時のみ油圧を使用する為、加工中は油圧配管の切離しができます。
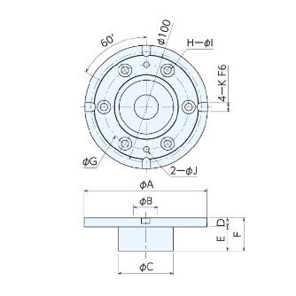
商品スペック
  • A:112
  • B:22
  • C:50
  • D:8
  • E:22
  • 高さ(mm):30
  • G:77
  • H:6
  • I:6.6
  • J:5.5
  • K:8
  • 質量(kg):0.6
  • 材質(本体):SUS
  • 熱処理:熱処理済
注意事項
内容品・付属品 ●六角穴付きボルト●止めネジ●ボルト用フタ
原産国
特記事項