(株)ナベヤ

Q-ロックエレメント ホールタイプ本体 QLA-KS20.3

  • 型番:QLA-KS20.3
  • 発注コード:BXN83
  • メーカー商品コード:121995
  • JANコード:4904115211640
商品一覧へ
(サイズ・色違いなど)

仕切価格
標準価格 \491,000
 
注文単位 1個
  • ※12/16 23:30 時点の情報です


用途
商品説明
  • 治具ベースに組込み、ワークの位置決めとクランプを同時に行うユニットです。
  • エアーブロー、差座確認付き。
  • アンクランプ時のみエアーを使用するため、加工中はエアー配管の切離しができます。
  • 工場内のエアー配管を利用し、容易にシステムに構築が行えます。
  • キー溝による位相セットにより単体使用ができます。
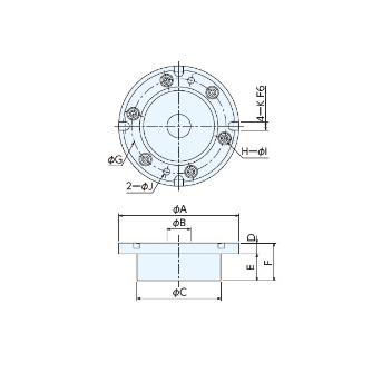
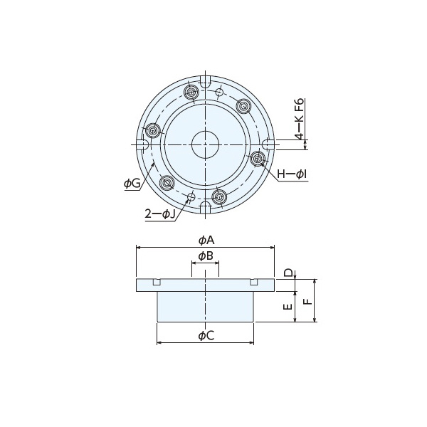
商品スペック
  • A:138
  • B:32
  • C:102
  • D:15
  • E:34
  • 高さ(mm):49
  • G:115
  • H:8
  • I:6.6
  • J:6
  • K:10
  • 質量(kg):2.6
  • 材質(本体):SUS
  • 熱処理:熱処理済
注意事項
内容品・付属品 ●六角穴付きボルト●止めネジ●ボルト用フタ●Oリング
原産国
特記事項

この商品を見た人はこちらの商品も見ています