(株)ナベヤ

Q-ロックエレメント ブッシュ QLA19KCB

  • 型番:QLA19KCB
  • 発注コード:BXN64
  • メーカー商品コード:125770
  • JANコード:4904115211459
商品一覧へ
(サイズ・色違いなど)

仕切価格
標準価格 \24,900
 
注文単位 1個
  • ※12/18 23:30 時点の情報です


用途
商品説明
  • Q-ロックエレメント(空圧式)を多数個使いする場合にピンの干渉を防ぎます。
  • 取付け加工が少ない為、交換治具の製作が容易です。
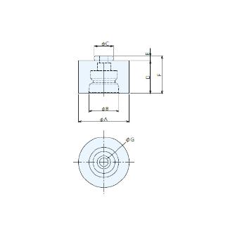
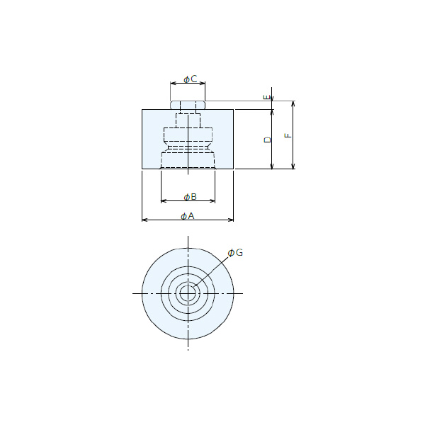
商品スペック
  • A:54
  • B:19.5
  • C:16
  • D:23
  • E:5
  • 高さ(mm):28
  • G:6.6
  • 質量(kg):0.25
  • タイプ:クランプブッシュ
  • 材質(本体):SCM440
  • 熱処理:焼入HRC55
注意事項
内容品・付属品
原産国
特記事項

この商品を見た人はこちらの商品も見ています