(株)ナベヤ

Q-ロックエレメント ブッシュ QLA19CB

  • 型番:QLA19CB
  • 発注コード:BXN58
  • メーカー商品コード:125746
  • JANコード:4904115211398
商品一覧へ
(サイズ・色違いなど)

仕切価格
標準価格 \20,700
 
注文単位 1個
  • ※12/18 23:30 時点の情報です


用途
商品説明
  • ロケートピン、ダイヤピンには「ロケートブッシュ」、クランプピンには「クランプブッシュ」をご利用下さい。
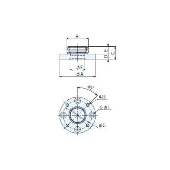
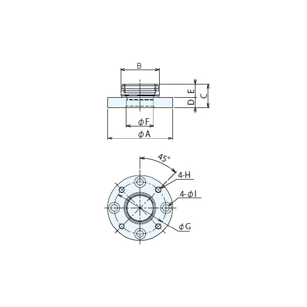
商品スペック
  • A:45
  • B(-0.016):27
  • 高さ(mm):16
  • D(±0.005):7
  • E:9
  • F:18.5
  • G:36
  • H:M4
  • I:4.5
  • 質量(kg):0.1
  • タイプ:クランプブッシュ
  • 材質(本体):SCM440
  • 熱処理:焼入HRC55
注意事項
内容品・付属品
原産国
特記事項

この商品を見た人はこちらの商品も見ています