(株)ナベヤ

Q-ロックエレメント ピン(空圧式複動) QLA19DDP

  • 型番:QLA19DDP
  • 発注コード:BXN49
  • メーカー商品コード:125740
  • JANコード:4904115211305
商品一覧へ
(サイズ・色違いなど)

仕切価格
標準価格 \76,500
 
注文単位 1個
  • ※12/18 23:30 時点の情報です


用途
商品説明
  • 複動(エアーでクランプ)。
  • エアーブロー・着座確認付。
  • 立形マシニングセンタ、軽切削向き。
  • クランプ・アンクランプ時にエアーを使用。
  • 電子バルブの切り替えで治具の自動交換に対応できます。
  • 工場内のエアー配管を利用し、容易にシステムの構築が行えます。
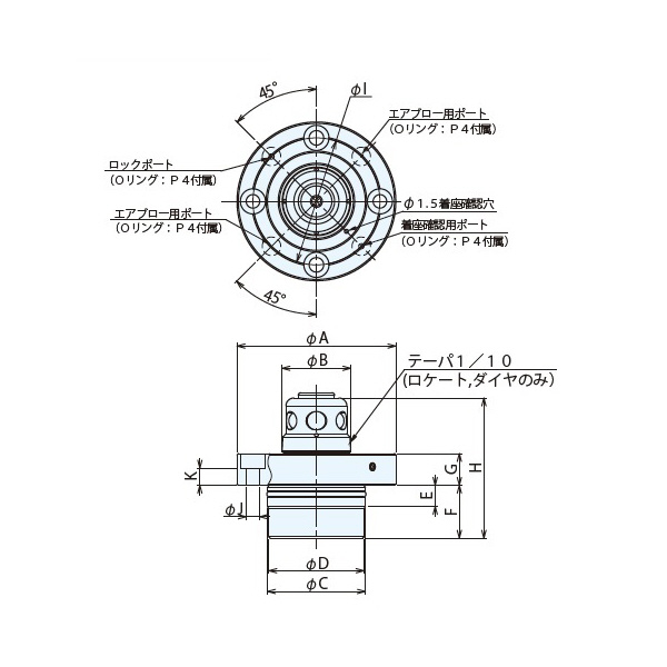
商品スペック
  • A:54
  • B:19
  • C h5:33
  • D:32
  • E:8
  • F:16.5
  • G(±0.005):10
  • 高さ(mm):42.5
  • I:44
  • J:4.5
  • K:5.5
  • 質量(kg):0.23
  • タイプ:ダイヤピン
  • 材質(本体):SUS440C
  • 熱処理:焼入HRC55
注意事項
内容品・付属品
原産国
特記事項

この商品を見た人はこちらの商品も見ています