(株)ナベヤ

Q-ロックエレメント ピン(空圧式複動) QLA32DRP

  • 型番:QLA32DRP
  • 発注コード:BXN48
  • メーカー商品コード:125757
  • JANコード:4904115211299
商品一覧へ
(サイズ・色違いなど)

仕切価格
標準価格 \108,000
 
注文単位 1個
  • ※12/18 23:30 時点の情報です


用途
商品説明
  • 複動(エアーでクランプ)。
  • エアーブロー・着座確認付。
  • 立形マシニングセンタ、軽切削向き。
  • クランプ・アンクランプ時にエアーを使用。
  • 電子バルブの切り替えで治具の自動交換に対応できます。
  • 工場内のエアー配管を利用し、容易にシステムの構築が行えます。
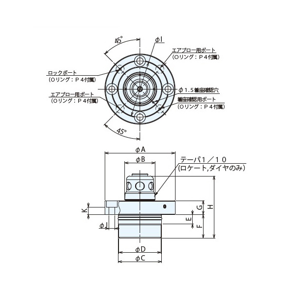
商品スペック
  • A:72
  • B:32
  • C h5:46
  • D:45
  • E:8
  • F:26.5
  • G(±0.005):14
  • 高さ(mm):65.5
  • I:58
  • J:7
  • K:7.5
  • 質量(kg):0.63
  • タイプ:ロケートピン
  • 材質(本体):SUS440C
  • 熱処理:焼入HRC55
注意事項
内容品・付属品
原産国
特記事項

この商品を見た人はこちらの商品も見ています