(株)ナベヤ

Q-ロックエレメント ピン(空圧式複動) QLA26DRP

  • 型番:QLA26DRP
  • 発注コード:BXN47
  • メーカー商品コード:125748
  • JANコード:4904115211282
商品一覧へ
(サイズ・色違いなど)

仕切価格
標準価格 \86,500
 
注文単位 1個
  • ※12/18 23:30 時点の情報です


用途
商品説明
  • 複動(エアーでクランプ)。
  • エアーブロー・着座確認付。
  • 立形マシニングセンタ、軽切削向き。
  • クランプ・アンクランプ時にエアーを使用。
  • 電子バルブの切り替えで治具の自動交換に対応できます。
  • 工場内のエアー配管を利用し、容易にシステムの構築が行えます。
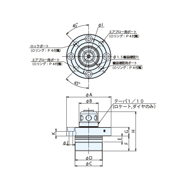
商品スペック
  • A:60
  • B:26
  • C h5:37
  • D:36
  • E:8
  • F:20
  • G(±0.005):12
  • 高さ(mm):53
  • I:48
  • J:5.5
  • K:6.6
  • 質量(kg):0.3
  • タイプ:ロケートピン
  • 材質(本体):SUS440C
  • 熱処理:焼入HRC55
注意事項
内容品・付属品
原産国
特記事項

この商品を見た人はこちらの商品も見ています