ダイキン工業(株)

油圧ユニットパック NDP2081N2NN-20

  • 型番:NDP2081N2NN-20
  • 発注コード:BTX47
  • メーカー商品コード:NDP2081N2NN-20
  • JANコード:―
商品一覧へ
(サイズ・色違いなど)

仕切価格
標準価格 ¥320,000
 
注文単位 1個
  • ※4/30 23:30 時点の情報です


用途
商品説明
  • 簡単メンテナンス
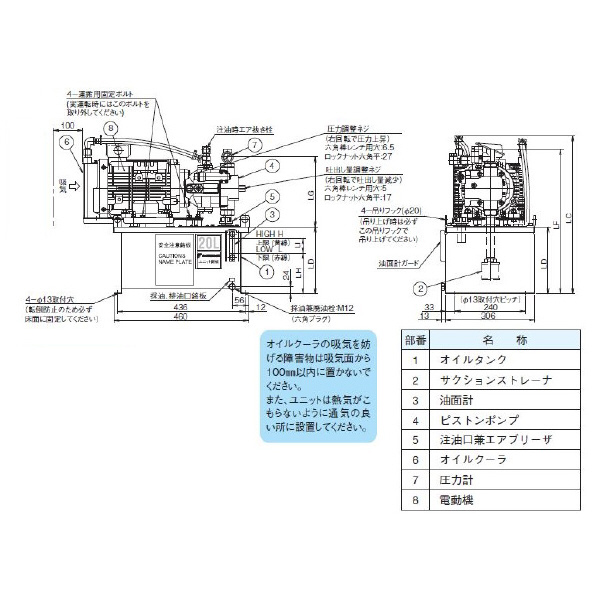
  • サクションストレーナが簡単に取り外し可能なため、掃除が簡単。
  • 排油栓プラグを平行ネジ化。油交換時にシールテープ不要ですので、いつでもどこでも油交換が可能です。
  • 低騒音・低油温上昇
  • ポンプ・モータに防振ゴム装着
  • 実績のVシリーズ高効率ピストンポンプ搭載
商品スペック
  • タンク容量(L):20
  • 最高使用圧力(MPa):7.0
  • 電動機容量(kW):1.5(4P)
  • デザイン番号:20
  • ポンプ容量:V8ポンプ(8.0cm3/rev)
  • マニホールド搭載:マニホールド搭載無し
  • 種類:ピストンパック Vシリーズピストンポンプ搭載 小型油圧ユニット
  • 制御系搭載可否:標準型
  • 電動機仕様:標準仕様・標準電圧
注意事項
  • 粘度グレードISOVG32~46相当の石油系油圧作動油を使用してください。石油系作動油以外(水性系、合成油系)の作動油は使用できません。
  • 圧力が上昇することを圧力計で確認してください。
  • アース配線は必ず結線してください。
  • 運搬や吊り上げる時は、吊り用フック(4箇所、φ20穴)を使用してください。
  • 定置形ですので、振動のない水平な所に設置してください。
  • 転倒防止のため必ず床面に固定してください。
内容品・付属品
原産国
特記事項

この商品を見た人はこちらの商品も見ています