(株)MOLDINO

カッタ用インサート MPHW060304ZEL-0.5 PN215

  • 型番:MPHW060304ZEL-0.5 PN215
  • 発注コード:BLXXO
  • メーカー商品コード:MPHW060304ZEL-0.5:PN215
  • JANコード:―
商品一覧へ
(サイズ・色違いなど)

仕切価格
標準価格 ¥1,740
 
注文単位 10個
  • ※4/29 23:20 時点の情報です


用途
商品説明
  • 多機能・多刃仕様により構造部の仕上げに適しています。
  • 復路加工用切れ刃は、往復仕上げバーチカル加工の際に作用します。
  • 外周切れ刃は、側面加工時に作用します。
  • 正面切れ刃は、底面仕上げ加工時に作用します。
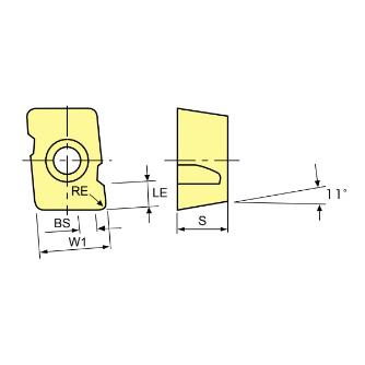
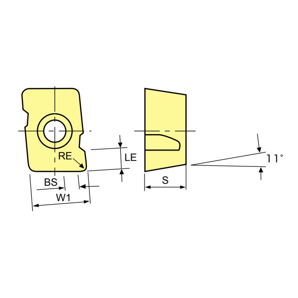
商品スペック
  • インサート形状[記号]:ひし形[M]
  • 頂角(°):86
  • 逃げ角[記号](°):11[P]
  • 精度記号:H
  • コーナー高さ許容差(mm):±0.013
  • 内接円許容差(mm):±0.013
  • 厚さ許容差(mm):±0.025
  • 穴の有無:あり・一部円筒穴+片面(40-60°)
  • ブレーカの有無:なし
  • インサート厚さ[記号](mm):3.18[03]
  • コーナー半径[記号](mm):0.4[04]
  • 材質(コーティング):PN215
  • インサート幅W1(mm):6.35
  • ワイパー刃幅BS(mm):0.5
  • 切刃長(mm):3
  • 被削材:鋼/SUS/チタン合金/高硬度材
注意事項
内容品・付属品
原産国
特記事項

この商品を見た人はこちらの商品も見ています