(株)ナベヤ

クイックターンクランプ 低頭 QT08TS-C

  • 型番:QT08TS-C
  • 発注コード:BLRUA
  • メーカー商品コード:169993
  • JANコード:4904115098104
商品一覧へ
(サイズ・色違いなど)

仕切価格
標準価格 ¥6,800
 
注文単位 1個
  • ※3/15 23:20 時点の情報です


用途
商品説明
  • ノブの回転操作のみで簡単にクランプと位置決めができる製品です。
  • 飛び出しを抑え、スペースを効率的に利用できるように、ノブの高さを低く設計しています。
  • ノブの高さが低いことで、作業時の接触や干渉の可能性を抑え、作業者のケガや装置・製品の破損を防ぎます。
  • ノブには段付きローレット加工が施してあり、油分、手袋着用時でも安定した把持が可能で、滑りによる誤操作や落下のリスクを低減します。
  • これらは安全性の向上にもつながり、精密な環境や正確な繰り返し動作が求められる作業において効果を発揮できます。
  • ノブ上面にあるアイコンで、「クランプ/アンクランプ状態」と「操作方向」が直感的に理解しやすくなっています。
  • 低発塵グリス。低発塵性・耐フレッチング性に優れたグリスを使用しているため、クリーンルームでも安心してご利用いただくことができます。
商品スペック
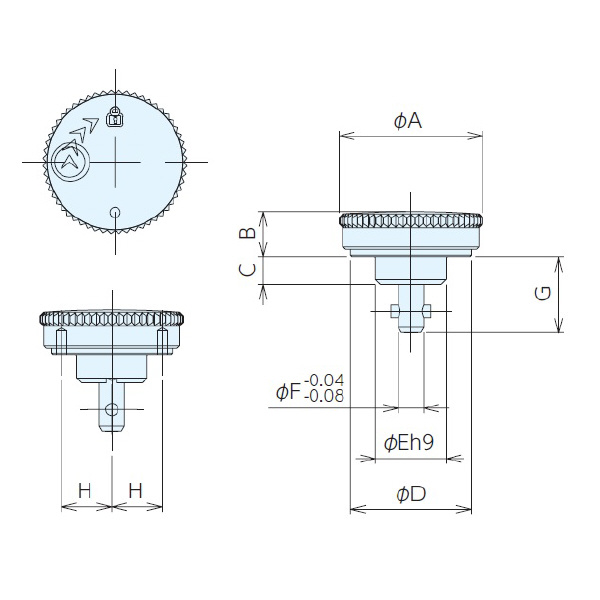
  • 全径(mm):35.5(A)
  • B(mm):12.5
  • C(mm):5.5
  • D(mm):31
  • E(mm):18
  • F(mm):8
  • G(mm):22.5
  • H(mm):13
  • 商品タイプ:食品用グリス
  • 外径:35.5
  • 全高(mm):35
  • ピン径:φ8
  • 適合プレート厚み(mm):12
  • クランプ力(N):90
  • 質量(kg):0.088
  • 適合カムベースNo.:QTB08S-F/QTB08TS-F
  • 材質(本体):SUS304
  • 材質:SUS303(ノブ)/SUS(取付ボルト)
注意事項
内容品・付属品 ●六角穴付きボルト(M3×6)×2本
原産国
特記事項