住友電気工業(株)

スミダイヤ スローアウェイチップ NF-DCMT11T308N-GD DA1000

  • 型番:NF-DCMT11T308N-GD DA1000
  • 発注コード:BLQ57
  • メーカー商品コード:16HQEGK
  • JANコード:―
商品一覧へ
(サイズ・色違いなど)

仕切価格
標準価格 ¥13,000
 
注文単位 1個
  • ※5/14 23:30 時点の情報です


用途 ●ハイシリコンアルミニウム合金の加工。●アルミニウム合金の粗・断続・仕上げ加工。●木工・木質ボードなどの切断・端面加工。●非鉄金属の一般仕上げ加工。
商品説明
  • 超微粒ダイヤモンドを高密度に焼結。
  • 加工面の面粗度が大幅に向上。
  • 優れた耐摩耗性と高強度。
  • 全てのアルミニウム合金や非鉄合金の加工に高性能・高精度・高能率加工を発揮。
  • スミダイヤNFインサートは、設計の最適化と量産加工技術の開発により、DA1000の優れた基本性能はそのままに、より高いコストパフォーマンスを実現した製品です。優れた耐欠損性・耐摩耗性や被削材の仕上げ面粗さなど、スミダイヤDA1000の高性能を最大限発揮します。
  • ブレーカ付きのスミダイヤインサート。
  • アルミニウム合金の中~仕上げ加工において抜群の切りくず処理を実現。
  • 切りくずトラブル解決により作業能率の大幅改善が可能。
  • 高強度材種DA1000の採用により、安定長寿命。
商品スペック
  • 商品タイプ:ワンコーナータイプ
  • タイプ記号:NF
  • ネガポジ:ポジティブ
  • 補足記号:N-GD
  • 補足:ブレーカ付タイプ(なし[N])
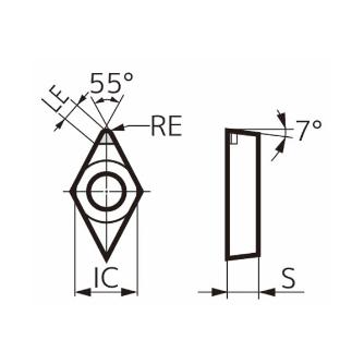
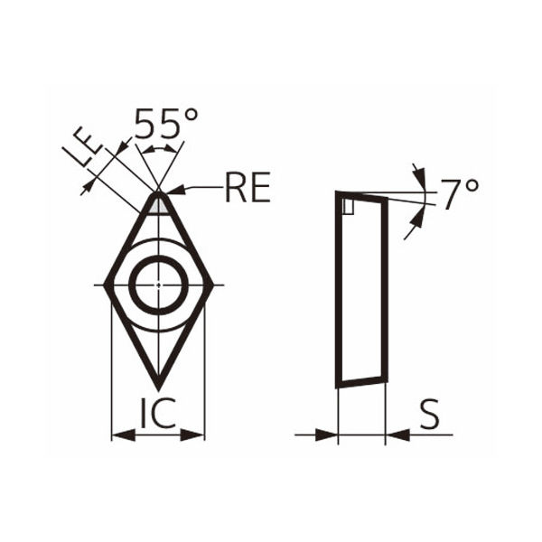
  • インサート形状[記号]:菱形[D]
  • 頂角(°):55
  • 逃げ角[記号](°):7[C]
  • インサート厚さ[記号](mm):3.97[T3]
  • 厚さ許容差(mm):±0.13
  • コーナー半径[記号](mm):0.8[08]
  • コーナー高さ許容差(mm):±0.11
  • 等級記号:M
  • 溝穴記号:T
  • 穴の有無:あり
  • 穴の形状:円筒穴+片面取(40°~60°)
  • ブレーカ:GD
  • 穴径(mm):4.4
  • 切刃長[記号](mm):2.5[11]
  • 内接円IC(mm):9.525
  • 内接円許容差(mm):±0.05
  • 勝手[記号]:なし[N]
  • ダイヤモンド粒子平均粒径(μm):~0.5
  • 抗折力(Gpa):≒2.60
  • 硬度HK(Gpa):50~60
  • 材種:DA1000
注意事項
内容品・付属品
原産国
特記事項

この商品を見た人はこちらの商品も見ています