YMKTニチアロイ

軟質ゴム用ドリル UGDN-4.5

  • 型番:UGDN-4.5
  • 発注コード:BLOMU
  • メーカー商品コード:NC24022
  • JANコード:―
商品一覧へ
(サイズ・色違いなど)

仕切価格
標準価格 ¥44,740
 
注文単位 1本
  • ※3/25 23:30 時点の情報です


用途 ●軟質ウレタンゴム用●ウレタンゴム硬度50°以上に対して良好な穴あけ加工
商品説明
  • 独自の刃型形状と強ネジレ構造により、ウレタンゴム硬度50°に対して良好な切れ味を発揮。
  • DLCコーティングで工具表面の平滑性を向上、溶着を低減。
  • 鋼用ドリルと比較して粗さ低く、加工面を高品質な仕上がりに。
商品スペック
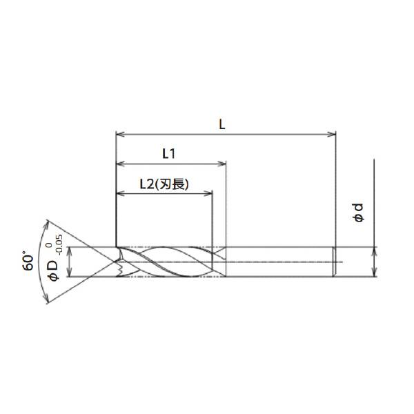
  • 刃径(mm):φ4.5
  • 溝長(mm):20
  • 全長(mm):60
  • 表面処理:DLCコーティング
注意事項
内容品・付属品
原産国
特記事項