(株)ナベヤ

クイックターンクランプ 薄板用 QTB05TSS

  • 型番:QTB05TSS
  • 発注コード:BKVPM
  • メーカー商品コード:169225
  • JANコード:4904115365879
商品一覧へ
(サイズ・色違いなど)

仕切価格
標準価格 \17,100
 
注文単位 1個
  • ※12/16 23:30 時点の情報です


用途
商品説明
  • 本製品は別売りの「クイックターンクランプ ノブ」各種と組み合わせて使用する製品です。 カムベースに搭載したセンサーによりクランプ/アンクランプ状態を検出することが可能です。
  • PLC/インターロック制御の設計をすることでクランプ/アンクランプ状態を検知しない限り次工程の動作/作業に取り掛かれないため、作業の安全性を向上させます。
  • またシグナルランプでクランプ/アンクランプ状態を可視化します。そのため複数人での作業や多台持ち作業の操作忘れ・誤動作を防止し、不良発生リスクの低減と安全性を確保します。
  • 電源線と信号線が分かれており確実なPLCとの接続ができる3線式のセンサーを採用しているため、自動化システムとの連携が容易です。
  • センサーに非接触式のフォトセンサーを採用。
  • 部品同士の接触なくピンの位置をセンサーで検出します。そのため、接触式センサーで見られる部品の摩耗による誤作動などの機械的不具合が発生しにくい構造です。
  • また、クランプ/アンクランプの切替動作試験5万回をクリアしているため作業頻度の高い現場で使用可能です。
  • 取付場所/スペース、配線の取り回しを考慮して、配線の方向を4方向に取付できる設計です。
  • 各国で自由に流通・販売でき、安全性、健康、環境保護に関連する安全基準を満たすCE・UKCA・UL認証に対応しており、輸出する装置にも採用いただけます。
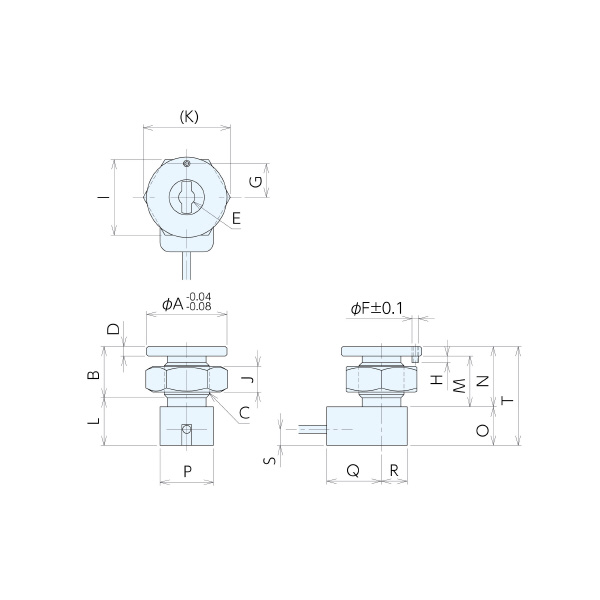
商品スペック
  • 適合プレート厚み(mm):6~10
  • 質量(kg):0.055
  • A(mm):25
  • B(mm):16
  • C(mm):M14×1.5
  • D(mm):3
  • E(mm):5
  • F(mm):2
  • G(mm):10.5
  • H(mm):2
  • I(mm):22
  • J(mm):8
  • K(mm):25.4
  • L(mm):15
  • M(mm):16
  • N(mm):19
  • O(mm):12
  • P(mm):17
  • Q(mm):17
  • R(mm):8
  • S(mm):5
  • T(mm):31
  • 材質(本体):SCS24(SUS630相当)
  • 材質(その他):SUS303(ホルダー)/SUS304(取付ボルト・取付ナット)
注意事項
内容品・付属品
原産国
特記事項