(株)ナベヤ

電動位置決め締結ユニット ブッシュ ELC21B

  • 型番:ELC21B
  • 発注コード:BKVPJ
  • メーカー商品コード:168655
  • JANコード:4904115101354

仕切価格
標準価格 ¥6,500
 
注文単位 1個
  • ※3/15 23:20 時点の情報です


用途
商品説明
  • 本製品は別売りの「電動位置決め締結ユニット ピン」と組み合わせて使用する製品です。
  • ブッシュの埋め込み深さを浅く設計してあり、プレート/パレットを薄くできます。また、取り付け条件に合わせて上下両面のどちらからでもボルトで固定できます。
  • 本体の材質がステンレス製で、摩耗による交換頻度を低減するために、焼入によって耐摩耗性を高めています。100万回以上の動作試験をクリアしています。
商品スペック
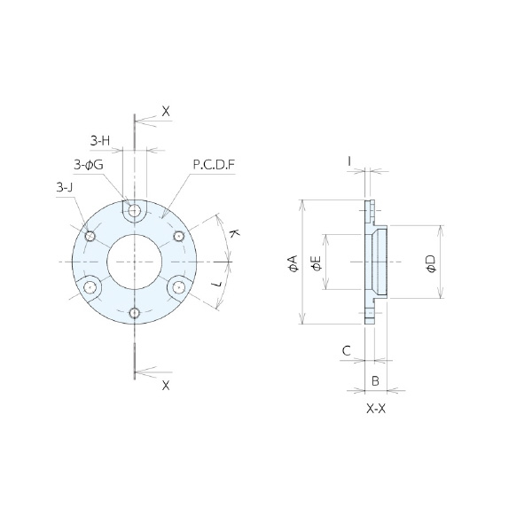
  • 外径(mm):34
  • 総高(mm):6
  • 内径(mm):15
  • 質量(g):14
  • A(mm):34
  • B(mm):6
  • C(mm):2.5
  • D(mm):20
  • E(mm):15
  • F(mm):28
  • G(mm):3.3
  • H(mm):6.5
  • I(mm):1.5
  • J(mm):M3x0.5
  • K(mm):30
  • L(°):30
  • 材質:ステンレス
  • 熱処理:HRC55
注意事項
内容品・付属品
原産国
特記事項