住友電気工業(株)

スミボロン カッタチップ BNGNT0400R BN2000

  • 型番:BNGNT0400R BN2000
  • 発注コード:BKVLK
  • メーカー商品コード:16JR752
  • JANコード:―
商品一覧へ
(サイズ・色違いなど)

仕切価格
標準価格 \16,700
 
注文単位 1個
  • ※12/18 23:30 時点の情報です

※1/1に下記価格に改定予定です

仕切価格
標準価格 \17,500

用途 ●焼入鋼全般の加工に対応した汎用材種●溝入れ
商品説明
  • 鋼性向上で寿命アップ。
  • 新開発の高純度セラミックス結合材を適用したノンコートタイプのスミボロンです。
  • 高欠損性と耐摩耗性を両立し、幅広い焼入鋼加工において安定した寿命を実現します。
  • 刃立ち性もアップで面粗度安定。
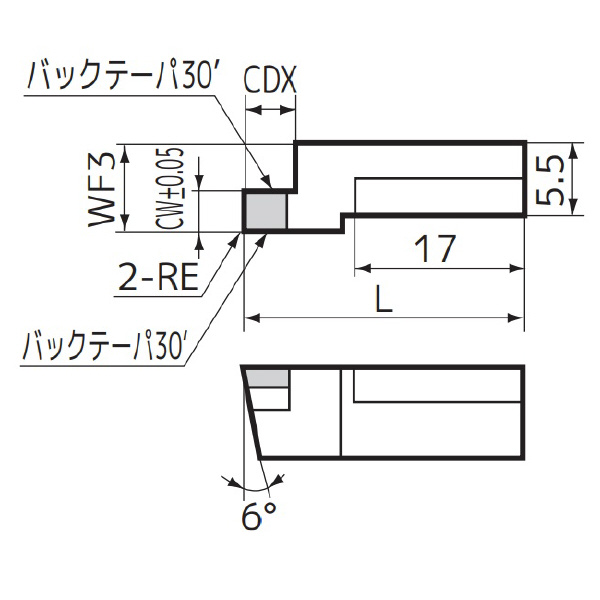
商品スペック
  • 刃幅CW(mm):4
  • 最大溝深さCDX(mm):6
  • コーナー半径[記号](mm):0.4
  • 切刃長(mm):26
  • 刃先距離WF3(mm):6
注意事項
内容品・付属品
原産国
特記事項

この商品を見た人はこちらの商品も見ています