ワルタージャパン(株)

スリムハイドロチャックアダプター AB019-H100-P12-120

  • 型番:AB019-H100-P12-120
  • 発注コード:BFDHY
  • メーカー商品コード:8156086
  • JANコード:0694442851
商品一覧へ
(サイズ・色違いなど)

仕切価格
標準価格 ¥217,300
 
注文単位 1個
  • ※4/29 23:20 時点の情報です

※5/1に下記価格に改定予定です

仕切価格
標準価格 ¥225,500

用途 ●穴あけ、ミーリング、ねじ切りおよびリーマー加工に汎用的に使用可能●円筒シャンク、DIN 1835 Form B / E シャンク、DIN 6535 Form HB / HE シャンクをクランプ●Walter Titex 工具による穴あけおよびリーマー加工●Walter Prototyp 超硬エンドミル加工
商品説明
商品スペック
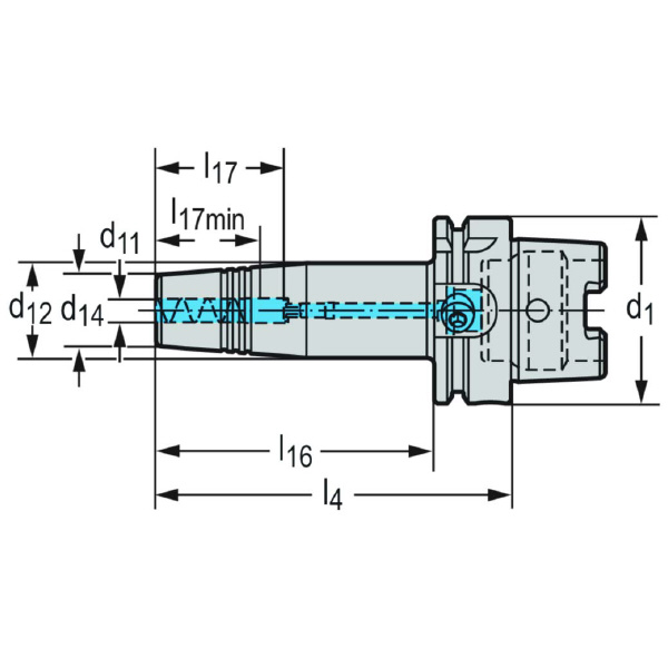
  • 取り付け直径(mm):24
  • 本体寸法(mm):32
  • 接続直径(mm):12
  • 有効長(mm):91
  • 有効長(mm):120
  • クランプ径深さ(mm):47.7
  • 最小クランプ径深さ(mm):37.7
  • 重量(kg):2.35
  • 接続サイズコード:HSK-A100
注意事項
内容品・付属品
原産国
特記事項

この商品を見た人はこちらの商品も見ています