おすすめキーワード
キーワードランキング
検索履歴
カテゴリー
メーカー
該当する販売店・事業所はありません
1~10件
※12/08 23:30 時点の情報です
※1/1に下記価格に改定予定です
超硬肩削り / 溝削りエンドミル MC320
ワルタージャパン(株)
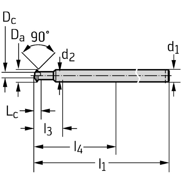
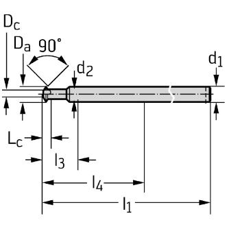
超硬面取りエンドミル 120° MC503
超硬肩削り / 溝削りエンドミル MC319
内部クーラント仕様超硬マイクロドリル DB133
超硬高送りエンドミル MC025
内部クーラント仕様超硬ドリル DC160-12
超硬肩削り / 溝削りエンドミル(ラジアス) MC377
内部クーラント仕様超硬ドリル DC160-25
内部クーラント仕様超硬ドリル DC160-08
内部クーラント仕様超硬ドリル DC160-05
超硬ラジアスエンドミル MC089
超硬ラジアスエンドミル MC187
内部クーラント仕様超硬ドリル DC160-03
内部クーラント仕様超硬ドリル DC160-16
超硬ボールノーズエンドミル H8004788
超硬ラジアスエンドミル MC128
超硬スクエアエンドミル MC267
超硬ボールノーズエンドミル MC413
内部クーラント仕様超硬ドリル DC160-20
超硬ボールノーズエンドミル MC480
ログインを行ってください。
該当する商品の在庫はありません。
フォルダ新規作成
エラーメッセージエラーメッセージエラーメッセージエラーメッセージ
フォルダ選択
お気に入り登録しました
該当するユーザーはありません。