ワルタージャパン(株)

超硬ラジアスエンドミル MC128-08.0A6B050-WJ30TF

  • 型番:MC128-08.0A6B050-WJ30TF
  • 発注コード:BEWOL
  • メーカー商品コード:7872782
  • JANコード:4042446307134
商品一覧へ
(サイズ・色違いなど)

仕切価格
標準価格 ¥15,000
 
注文単位 1個
  • ※4/29 23:20 時点の情報です

※5/1に下記価格に改定予定です

仕切価格
標準価格 ¥16,600

用途
商品説明
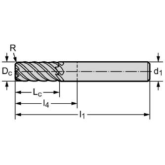
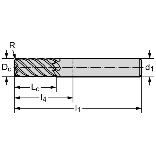
商品スペック
  • 切れ刃長さ(mm):19
  • 切れ刃直径(mm):8
  • シャンク径(mm):8
  • 全長(mm):63
  • 有効長(mm):27
  • コーナー R(mm):0.5
  • 刃数(枚):6
  • 被削材:P(鋼◎)/M(ステンレス鋼○)/K(鋳鉄○)/S(難削材○)
注意事項
内容品・付属品
原産国
特記事項

この商品を見た人はこちらの商品も見ています