ワルタージャパン(株)

超硬ミニボールノーズエンドミル H4046988-1.5-8

  • 型番:H4046988-1.5-8
  • 発注コード:BEVVV
  • メーカー商品コード:6016693
  • JANコード:4042446220624
商品一覧へ
(サイズ・色違いなど)

仕切価格
標準価格 ¥19,500
 
注文単位 1個
  • ※4/29 23:20 時点の情報です

※5/1に下記価格に改定予定です

仕切価格
標準価格 ¥21,700

用途
商品説明
商品スペック
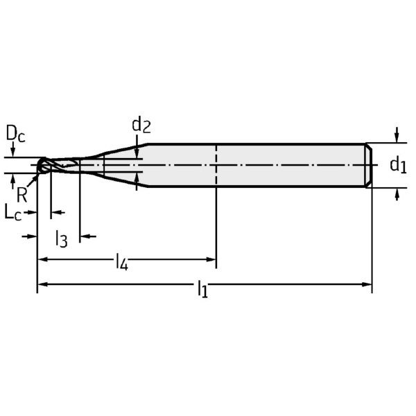
  • 切れ刃長さ(mm):1.35
  • 接続サイズコード:6
  • 切れ刃直径(mm):1.5
  • 首径(mm):1.44
  • 使用可能長さ(mm):8
  • 全長(mm):45
  • 有効長(mm):19.4
  • コーナー R(mm):0.75
  • 刃数(枚):2
  • 被削材:H(高硬度材◎)
注意事項
内容品・付属品
原産国
特記事項

この商品を見た人はこちらの商品も見ています