おすすめキーワード
キーワードランキング
検索履歴
カテゴリー
メーカー
該当する販売店・事業所はありません
1~10件
※1/28 23:30 時点の情報です
HSSーE マシンタップ TC216
ワルタージャパン(株)
HSSーE マシンタップ TC115
HSSーEーPM マシンタップ AK2231407
HSSーEーPM マシンタップ E2031456
HSSーEーPM マシンタップ E2036456
HSSーEーPM マシンタップ 2026616
HSSーEーPM マシンタップ EP2056352
HSSーEーPM マシンタップ EP2051352
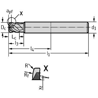
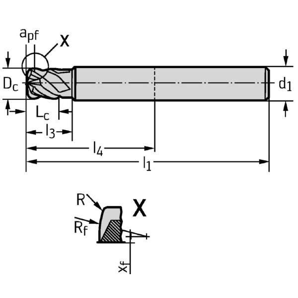
ConeFitヘッド交換式超硬エンドミル MC075
ConeFitヘッド交換式超硬エンドミル MC128
ConeFitヘッド交換式超硬エンドミル MC275
ConeFitヘッド交換式超硬エンドミル MC320
HSSーE マシンタップ 2546706
HSSーEーPM マシンタップ 2325706
HSSーEーPM マシンタップ 2226706
HSSーEーPM マシンタップ 21266106
HSSーEーPM マシンタップ 2320706
HSSーEーPM マシンタップ 2321706
HSSーEーPM マシンタップ 23410406
HSSーEーPM マシンタップ 2220706
ログインを行ってください。
該当する商品の在庫はありません。
フォルダ新規作成
エラーメッセージエラーメッセージエラーメッセージエラーメッセージ
フォルダ選択
お気に入り登録しました
該当するユーザーはありません。