ワルタージャパン(株)

カートリッジ付きミーリングカッター F2252.BN.100.Z04.10.S685

  • 型番:F2252.BN.100.Z04.10.S685
  • 発注コード:BEOHN
  • メーカー商品コード:5000718
  • JANコード:0356887726
商品一覧へ
(サイズ・色違いなど)

仕切価格
標準価格 ¥292,300
 
注文単位 1個
  • ※4/04 23:20 時点の情報です


用途
商品説明
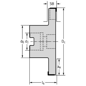
商品スペック
  • 最大切り込み深さ(mm):24
  • 面側チップ数(枚):4
  • チップ数(枚):4(円周側)
  • 最小切削幅(mm):10
  • 最大切削幅(mm):12
  • 切り込み直径(mm):100
  • 接続直径(mm):27
  • ハブ径(mm):48
  • 適用可能チップ-フェース側:MP . X080305
  • 適用可能チップ-円周方向側面:MP . X080305
  • 刃数(枚):4
  • 被削材:P(鋼◎)/M(ステンレス鋼◎)/K(鋳鉄◎)/N(非鉄金属◎)/S(難削材◎)/O(その他○)
注意事項
内容品・付属品
原産国
特記事項

この商品を見た人はこちらの商品も見ています