ワルタージャパン(株)

超硬ねじ切りカッター H5075018-M8

  • 型番:H5075018-M8
  • 発注コード:BDEFL
  • メーカー商品コード:5910475
  • JANコード:4042446198985
商品一覧へ
(サイズ・色違いなど)

仕切価格
標準価格 ¥120,100
 
注文単位 1個
  • ※4/28 23:30 時点の情報です

※5/1に下記価格に改定予定です

仕切価格
標準価格 ¥133,000

用途 ●止まり穴および貫通穴ねじ●切れ刃長さと段付き部角度はねじ深さ ≦ 2×DN に適合●ISO N(非鉄金属):アルミニウム鋳造品、シリコン含有率7 % 以上、切りくずの短いマグネシウム合金および銅合金●ISO K:切りくずの短い被削材(ねずみ鋳鉄 FC 250 など)
商品説明
商品スペック
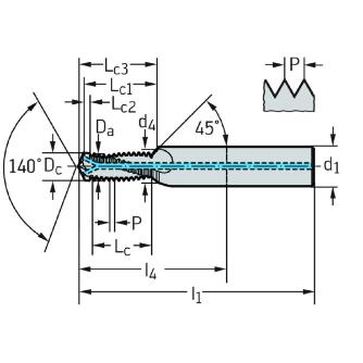
  • Lc(mm):13.8
  • 切り込み直径(mm):6.42
  • 有効径(mm):8.3
  • 切り込み直径(mm):6.8
  • 接続直径(mm):10
  • 長さ シャンク径(mm):17.7
  • 全長(mm):74
  • 最大長さ(mm):34
  • 使用可能長さ(mm):18.9
  • 長さ シャンク径(mm):1.25
  • ねじピッチ(mm):1.25
  • 刃数(枚):3
  • 被削材:K(鋳鉄◎)
注意事項
内容品・付属品
原産国
特記事項

この商品を見た人はこちらの商品も見ています