ワルタージャパン(株)

超硬ねじ切りカッター H5075018-M10

  • 型番:H5075018-M10
  • 発注コード:BDEFJ
  • メーカー商品コード:5910476
  • JANコード:4042446198992
商品一覧へ
(サイズ・色違いなど)

仕切価格
標準価格 ¥140,200
 
注文単位 1個
  • ※4/28 23:30 時点の情報です

※5/1に下記価格に改定予定です

仕切価格
標準価格 ¥155,200

用途 ●止まり穴および貫通穴ねじ●切れ刃長さと段付き部角度はねじ深さ ≦ 2×DN に適合●ISO N(非鉄金属):アルミニウム鋳造品、シリコン含有率7 % 以上、切りくずの短いマグネシウム合金および銅合金●ISO K:切りくずの短い被削材(ねずみ鋳鉄 FC 250 など)
商品説明
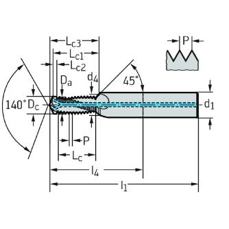
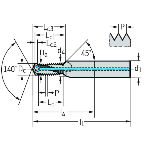
商品スペック
  • Lc(mm):18
  • 切り込み直径(mm):8.07
  • 有効径(mm):10.3
  • 切り込み直径(mm):8.5
  • 接続直径(mm):12
  • 長さ シャンク径(mm):22.2
  • 全長(mm):80
  • 最大長さ(mm):35
  • 使用可能長さ(mm):23.7
  • 長さ シャンク径(mm):1.5
  • ねじピッチ(mm):1.5
  • 刃数(枚):3
  • 被削材:K(鋳鉄◎)
注意事項
内容品・付属品
原産国
特記事項

この商品を見た人はこちらの商品も見ています