ワルタージャパン(株)

HSS-E 転造タップ TC410-M10X1.25-L6-WY80AD

  • 型番:TC410-M10X1.25-L6-WY80AD
  • 発注コード:BDCWC
  • メーカー商品コード:7427583
  • JANコード:4042446290214
商品一覧へ
(サイズ・色違いなど)

仕切価格
標準価格 ¥18,500
 
注文単位 1個
  • ※4/29 23:20 時点の情報です

※5/1に下記価格に改定予定です

仕切価格
標準価格 ¥19,200

用途 ●止まり穴および貫通穴ねじ●最大ねじ深さ:3.5×DN●すべての転造可能な被削材●産業領域:一般部品加工、自動車およびエネルギー産業など
商品説明
商品スペック
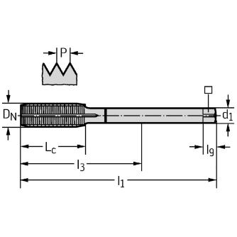
  • 接続直径(mm):7
  • 有効長(mm):100
  • 駆動スクウェア長さ(mm):8
  • 使用可能長さ(mm):77
  • 溝数:6
  • ねじサイズ:MF 10×1.25
  • スレッドの長さ(mm):20
  • ねじピッチ(mm):1.25
  • クランプ幅(mm):5.5
  • 被削材:P(鋼◎)/M(ステンレス鋼◎)/K(鋳鉄○)/N(非鉄金属◎)/S(難削材○)
注意事項
内容品・付属品
原産国
特記事項

この商品を見た人はこちらの商品も見ています