ワルタージャパン(株)

HSS-E マシンタップ TC115-M12-L0-WY80AA

  • 型番:TC115-M12-L0-WY80AA
  • 発注コード:BDBWQ
  • メーカー商品コード:6743430
  • JANコード:4042446262877
商品一覧へ
(サイズ・色違いなど)

仕切価格
標準価格 ¥6,430
 
注文単位 1個
  • ※4/29 23:20 時点の情報です

※5/1に下記価格に改定予定です

仕切価格
標準価格 ¥6,670

用途 ●止まり穴タップ●汎用
商品説明
商品スペック
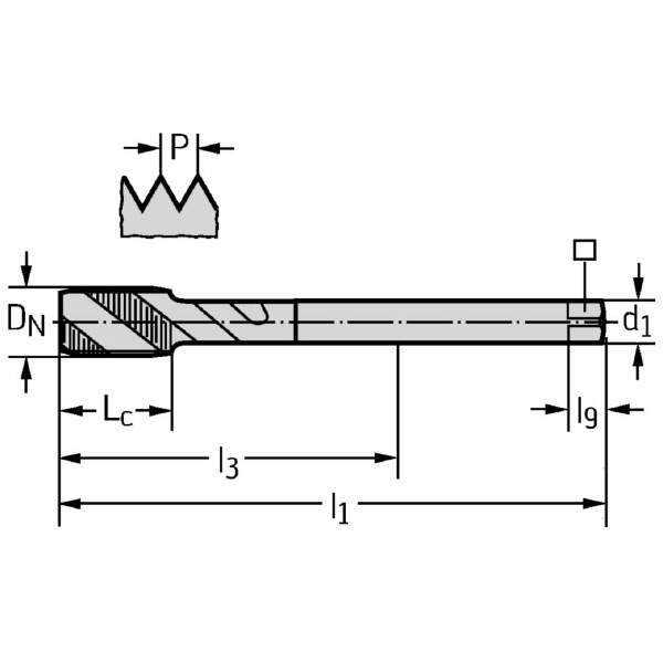
  • 接続直径(mm):9
  • 有効長(mm):110
  • 駆動スクウェア長さ(mm):10
  • 使用可能長さ(mm):83
  • 溝数:3
  • ねじサイズ:M12
  • スレッドの長さ(mm):16
  • ねじピッチ(mm):1.75
  • クランプ幅(mm):7
  • 被削材:P(鋼◎)/M(ステンレス鋼◎)/K(鋳鉄◎)/N(非鉄金属○)
注意事項
内容品・付属品
原産国
特記事項

この商品を見た人はこちらの商品も見ています