ワルタージャパン(株)

HSS-E マシンタップ P24360-G1.1/4

  • 型番:P24360-G1.1/4
  • 発注コード:BDBNR
  • メーカー商品コード:6149514
  • JANコード:4042446228583
商品一覧へ
(サイズ・色違いなど)

仕切価格
標準価格 ¥63,900
 
注文単位 1個
  • ※4/04 23:20 時点の情報です


用途 ●ISO P:鋼材< 1000 n/mm2●ISO N(非鉄金属):アルミシリコン合金、シリコン含有率 0.5 %-12 %●3×DN までの貫通穴ねじ
商品説明
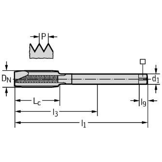
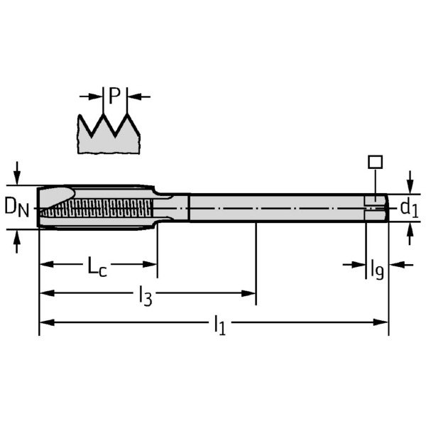
商品スペック
  • 接続直径(mm):32
  • 有効長(mm):170
  • 駆動スクウェア長さ(mm):27
  • 使用可能長さ(mm):72
  • 溝数:4
  • ねじサイズ(mm):41.91
  • ねじサイズ:G 1.1/4-11
  • スレッドの長さ(mm):28
  • TPI:11
  • クランプ幅(mm):24
  • 被削材:P(鋼◎)/N(非鉄金属○)/O(その他○)
注意事項
内容品・付属品
原産国
特記事項

この商品を見た人はこちらの商品も見ています