ワルタージャパン(株)

HSS-E マシンタップ P22559-UNC7/16

  • 型番:P22559-UNC7/16
  • 発注コード:BDBIU
  • メーカー商品コード:6244726
  • JANコード:4042446238612
商品一覧へ
(サイズ・色違いなど)

仕切価格
標準価格 ¥9,650
 
注文単位 1個
  • ※4/29 23:20 時点の情報です

※5/1に下記価格に改定予定です

仕切価格
標準価格 ¥10,100

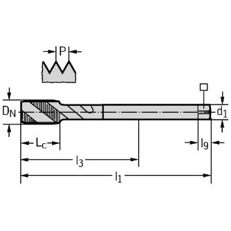
用途 ●3.5×DN までの止まり穴ねじ●ISO P:鋼材< 1000 n/mm2●ISO N(非鉄金属):アルミシリコン合金、シリコン含有率 0.5 %-12 %
商品説明
商品スペック
  • 接続直径(mm):8
  • 有効長(mm):100
  • 駆動スクウェア長さ(mm):9
  • 溝数:3
  • ねじサイズ(mm):11.113
  • ねじサイズ:UNC 7/16-14
  • スレッドの長さ(mm):15
  • クランプ幅(mm):6.2
  • 被削材:P(鋼◎)/N(非鉄金属○)/O(その他○)
注意事項
内容品・付属品
原産国
特記事項

この商品を見た人はこちらの商品も見ています