ワルタージャパン(株)

HSS-E マシンタップ P21569-M12X1.25

  • 型番:P21569-M12X1.25
  • 発注コード:BDBEA
  • メーカー商品コード:6244618
  • JANコード:4042446237530
商品一覧へ
(サイズ・色違いなど)

仕切価格
標準価格 ¥12,000
 
注文単位 1個
  • ※4/29 23:20 時点の情報です

※5/1に下記価格に改定予定です

仕切価格
標準価格 ¥12,500

用途 ●3.5×DN までの止まり穴ねじ●ISO P:鋼材< 1000 n/mm2●ISO N(非鉄金属):アルミシリコン合金、シリコン含有率 0.5 %-12 %
商品説明
商品スペック
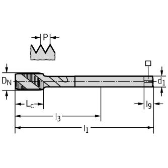
  • 接続直径(mm):9
  • 有効長(mm):100
  • 駆動スクウェア長さ(mm):10
  • 使用可能長さ(mm):73
  • 溝数:4
  • ねじサイズ:MF 12×1.25
  • スレッドの長さ(mm):13
  • ねじピッチ(mm):1.25
  • クランプ幅(mm):7
  • 被削材:P(鋼◎)/N(非鉄金属○)/O(その他○)
注意事項
内容品・付属品
原産国
特記事項

この商品を見た人はこちらの商品も見ています