ワルタージャパン(株)

HSS-E マシンタップ P20360-M33 廃番

  • 型番:P20360-M33
  • 発注コード:BDAPX
  • メーカー商品コード:6149233
  • JANコード:4042446225780
商品一覧へ
(サイズ・色違いなど)

仕切価格
標準価格 ¥41,300
 
注文単位 1個
  • ※4/29 23:20 時点の情報です


用途 ●ISO P:鋼材 < 1000 n/mm2●ISO N(非鉄金属):アルミシリコン合金、シリコン含有率 0.5 %-12 %●3×DN までの貫通穴ねじ
商品説明
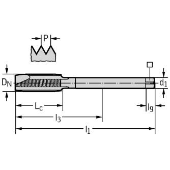
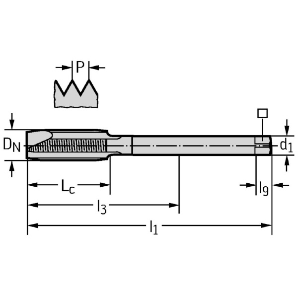
商品スペック
  • 接続直径(mm):25
  • 有効長(mm):180
  • 駆動スクウェア長さ(mm):23
  • 使用可能長さ(mm):113
  • 溝数:4
  • 工具型番:P20360-M33
  • ねじサイズ:M33
  • スレッドの長さ(mm):42
  • クランプ幅(mm):20
注意事項
内容品・付属品
原産国
特記事項

この商品を見た人はこちらの商品も見ています