ワルタージャパン(株)

HSS-E マシンタップ P2036035-M10 廃番

  • 型番:P2036035-M10
  • 発注コード:BDAOS
  • メーカー商品コード:6149271
  • JANコード:4042446226169
商品一覧へ
(サイズ・色違いなど)

仕切価格
標準価格 ¥11,800
 
注文単位 1個
  • ※4/29 23:20 時点の情報です


用途 ●ISO P:鋼材 < 1000 n/mm2●ISO N(非鉄金属):アルミシリコン合金、シリコン含有率 0.5 %-12 %●3×DN までの貫通穴ねじ
商品説明
商品スペック
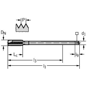
  • 接続直径(mm):7
  • 有効長(mm):160
  • 駆動スクウェア長さ(mm):8
  • 使用可能長さ(mm):137
  • 溝数:3
  • 工具型番:P2036035-M10
  • ねじサイズ:M10
  • スレッドの長さ(mm):20
  • ねじピッチ(mm):1.5
  • クランプ幅(mm):5.5
注意事項
内容品・付属品
原産国
特記事項

この商品を見た人はこちらの商品も見ています