ワルタージャパン(株)

HSS-E マシンタップ P202603-M12 廃番

  • 型番:P202603-M12
  • 発注コード:BDAKN
  • メーカー商品コード:6220239
  • JANコード:4042446234430
商品一覧へ
(サイズ・色違いなど)

仕切価格
標準価格 ¥12,900
 
注文単位 1個
  • ※4/29 23:20 時点の情報です


用途 ●ISO P:鋼材 < 1000 n/mm2●ISO N(非鉄金属):アルミシリコン合金、シリコン含有率 0.5 %-12 %●3×DN までの貫通穴ねじ
商品説明
商品スペック
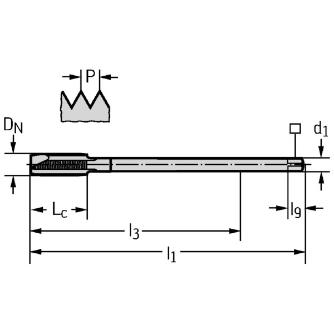
  • 接続直径(mm):9
  • 有効長(mm):220
  • 駆動スクウェア長さ(mm):10
  • 使用可能長さ(mm):193
  • 溝数:3
  • 工具型番:P202603-M12
  • ねじサイズ:M12
  • スレッドの長さ(mm):23
  • ねじピッチ(mm):1.75
  • クランプ幅(mm):7
注意事項
内容品・付属品
原産国
特記事項

この商品を見た人はこちらの商品も見ています