ワルタージャパン(株)

HSS-E マシンタップ N20566-M6

  • 型番:N20566-M6
  • 発注コード:BDAHD
  • メーカー商品コード:6476092
  • JANコード:4042446248109
商品一覧へ
(サイズ・色違いなど)

仕切価格
標準価格 ¥5,640
 
注文単位 1個
  • ※4/29 23:20 時点の情報です

※5/1に下記価格に改定予定です

仕切価格
標準価格 ¥5,860

用途 ●ISO N(非鉄金属):アルミシリコン合金、シリコン含有率 12 % 以下/純銅●ISO S(難削材):チタン(純粋)および非合金ニッケル被削材/熱可塑性樹脂
商品説明
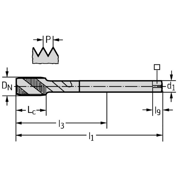
商品スペック
  • 接続直径(mm):4.5
  • 有効長(mm):80
  • 駆動スクウェア長さ(mm):6
  • 使用可能長さ(mm):59
  • 溝数:2
  • ねじサイズ:M6
  • スレッドの長さ(mm):10
  • ねじピッチ(mm):1
  • クランプ幅(mm):3.4
  • 被削材:N(非鉄金属◎)/S(難削材○)/O(その他○)
注意事項
内容品・付属品
原産国
特記事項

この商品を見た人はこちらの商品も見ています