ワルタージャパン(株)

HSS-E マシンタップ M2158305-M8X1 廃番

  • 型番:M2158305-M8X1
  • 発注コード:BCZYY
  • メーカー商品コード:6149894
  • JANコード:4042446231293
商品一覧へ
(サイズ・色違いなど)

仕切価格
標準価格 ¥9,900
 
注文単位 1個
  • ※4/04 23:20 時点の情報です


用途 ●2.5×DN までの止まり穴ねじ●ISO P(鉄系)第 2 の主な用途、700-1200 N/mm2
商品説明
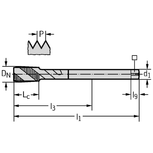
商品スペック
  • 接続直径(mm):6
  • 有効長(mm):90
  • 駆動スクウェア長さ(mm):8
  • 使用可能長さ(mm):67
  • 溝数:3
  • 工具型番:M2158305-M8X1
  • ねじサイズ:MF 8x1
  • スレッドの長さ(mm):12
  • ねじピッチ(mm):1
  • クランプ幅(mm):4.9
注意事項
内容品・付属品
原産国
特記事項

この商品を見た人はこちらの商品も見ています