ワルタージャパン(株)

HSS-E マシンタップ M21263-M10X1 廃番

  • 型番:M21263-M10X1
  • 発注コード:BCZWH
  • メーカー商品コード:6149827
  • JANコード:4042446230630
商品一覧へ
(サイズ・色違いなど)

仕切価格
標準価格 ¥9,720
 
注文単位 1個
  • ※4/29 23:20 時点の情報です


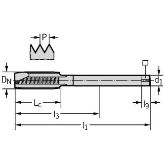
用途 ●3×DN までの貫通穴ねじ●ISO P(鉄系)第 2 の主な用途、700-1200 N/mm2●ISO M ステンレス鋼、350-1200 N /mm2
商品説明
商品スペック
  • 接続直径(mm):7
  • 有効長(mm):90
  • 駆動スクウェア長さ(mm):8
  • 使用可能長さ(mm):67
  • 溝数:3
  • 工具型番:M21263-M10X1
  • ねじサイズ:MF 10x1
  • スレッドの長さ(mm):20
  • ねじピッチ(mm):1
  • クランプ幅(mm):5.5
注意事項
内容品・付属品
原産国
特記事項

この商品を見た人はこちらの商品も見ています