ワルタージャパン(株)

HSS-E マシンタップ M20263-M8 廃番

  • 型番:M20263-M8
  • 発注コード:BCZSE
  • メーカー商品コード:6149693
  • JANコード:4042446229399
商品一覧へ
(サイズ・色違いなど)

仕切価格
標準価格 ¥7,360
 
注文単位 1個
  • ※4/29 23:20 時点の情報です


用途 ●3×DN までの貫通穴ねじ●ISO P(鉄系)第 2 の主な用途、700-1200 N/mm2●ISO M ステンレス鋼、350-1200 N /mm2
商品説明
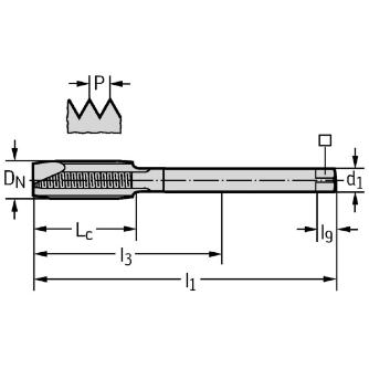
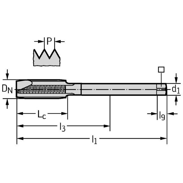
商品スペック
  • 接続直径(mm):6
  • 有効長(mm):90
  • 駆動スクウェア長さ(mm):8
  • 使用可能長さ(mm):67
  • 溝数:3
  • 工具型番:M20263-M8
  • ねじサイズ:M8
  • スレッドの長さ(mm):18
  • クランプ幅(mm):4.9
注意事項
内容品・付属品
原産国
特記事項

この商品を見た人はこちらの商品も見ています