ワルタージャパン(株)

HSS-E マシンタップ A23406S-UNF10

  • 型番:A23406S-UNF10
  • 発注コード:BCYJT
  • メーカー商品コード:8046398
  • JANコード:4042446317799
商品一覧へ
(サイズ・色違いなど)

仕切価格
標準価格 ¥8,070
 
注文単位 1個
  • ※4/29 23:20 時点の情報です

※5/1に下記価格に改定予定です

仕切価格
標準価格 ¥8,380

用途
商品説明
商品スペック
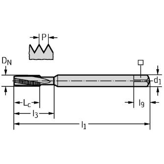
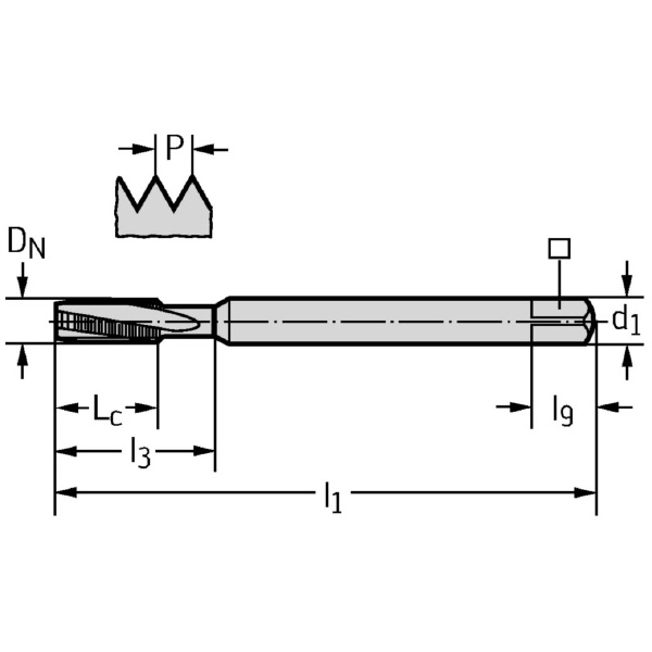
  • 接続直径(inch):0.194
  • 有効長(inch):2.378
  • 駆動スクウェア長さ(inch):0.25
  • 使用可能長さ(inch):0.709
  • 溝数:3
  • ねじサイズ(inch):0.19
  • ねじサイズ:UNF #10-32
  • スレッドの長さ(inch):0.709
  • クランプ幅(inch):0.152
  • 被削材:P(鋼◎)/N(非鉄金属○)/S(難削材◎)
注意事項
内容品・付属品
原産国
特記事項

この商品を見た人はこちらの商品も見ています